Tuotteet
- Etusivu
-
- Runva hydraulivinssit (12)
- Hydraulivinssien osat (10)
- Voimavirtavinssit (3)
- Moottorit Runva vinssehin (7)
- Vinssiköydet ja -narut (24)
- Koussit (9)
- Vinssien vaijerit (7)
- Rullaohjaimet ja liukukidat (14)
- Urapyörät / voimankertojat (10)
- Vinssien kauko-ohjaimet (15)
- Vinssien asennuslevyt (6)
- Sakkelit (4)
- Nosto- ja salpakoukut (5)
- Hiilipakat ja releet (19)
- Vinssien suojahuput (6)
- Muut varaosat (3)
- Blogi

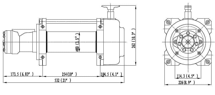
Runva hydraulivinssit. Vinssit traktoreihin, hinausautoihin, kaivinkoneisiin, teollisuuteen.
12 tuotetta
Näytetään 1 - 12 /12 tuotetta
Hullunmylly.fi verkkokaupasta löydät Runvan hydraulivinssit useaan käyttörtarpeeseen. Valikoimassame on Runva hydraulivinssejä kevyehköstä juontovinssistä raskaisiin hinausvinttureihin asti.
Runva hydraulivinssi on erittäin huoltovapaa. Geroottorimoottori tekee vinssistä varmatoimisen laitteen.
Runva hydraulivinsseillä on rajoitettu elinikäinen tehtaantakuu. Osalle hydraulisista vinsseistä on myönnetty jopa armeijan GJB82-86 standardit ja EN 14492-1 :2006 standardit.
Kaikki Runva hydraulivinssit ovat CE-hyväksyttyjä ja taattua ISO9001 laatua. Meiltä voit tilata vinssejä yleensä noin 3636..6804 kg (8000-15000 lbs) kokoluokassa ja isompia hydraulivinssejä toimitamme tilauksesta aina jopa 20tn vetotehoon saakka.
Tällaisia järeitä hydraulivinssejä käytetään mm. teollisuudessa, hinausautoissa, rautateillä, kaivinkoneissa ja muissa järeää vinssiä tarvitsevassa kohteessa.
Kauttamme saat tarvittaessa tilaustyönä räätälöidyt letkut, esim Flatface-pikaliittimin. Suuremmista hydraulivinsseistä tulee tiedustella toimitusaikaa.
Hydraulivinssit toimitetaan rahtina.
Rahti alkaen 39€
Painavat vinssit rahti 100€
info@hullunmylly.fi palvelee nopeasti.
Tilaamalla uutisirjeemme saat -5% ALE-koodin.























