Tuotteet
- Etusivu
-
- Runva hydraulivinssit (12)
- Hydraulivinssien osat (10)
- Voimavirtavinssit (3)
- Moottorit Runva vinssehin (7)
- Vinssiköydet ja -narut (25)
- Koussit (9)
- Vinssien vaijerit (7)
- Rullaohjaimet ja liukukidat (14)
- Urapyörät / voimankertojat (10)
- Vinssien kauko-ohjaimet (15)
- Vinssien asennuslevyt (7)
- Sakkelit (4)
- Nosto- ja salpakoukut (5)
- Hiilipakat ja releet (19)
- Vinssien suojahuput (6)
- Muut varaosat (3)
- Mopon osat (5)
- Blogi

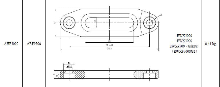
Rullaohjaimet ja liukukidat runva
14 tuotetta
Näytetään 1 - 14 /14 tuotetta
Laadukkaat ja jämerät vinssien rullaohjaimet sekä liukukidat sähkö- ja hydraulivinsseihin.
Vinssin rullaohjain on erinomainen lisävaruste vaijerivinsseille. Vaijerin rullaohjaimella voi ohjata ja kääntää vinssivaijeria tasaisesti vinssikelan akselille kertyvän vaijerin välttämiseksi. Käytännöllinen lisäosa auttaa varmistamaan, että vinssivaijeri kuluu tasaisesti eikä vaurioidu käytössä. Rullaohjain soveltuu yleisesti vaijerivinsseihin.
Vaijerin rullaohjaimessa on kitkaton rulla, jonka ansiosta vinssivaijeri voidaan vetää tasaisesti ja sujuvasti eri suunnista. Käännettävä rulla mahdollistaa vaijerin vetämisen optimaalisesta suunnasta, mikä vähentää kitkaa ja helpottaa käyttöä. Rullaohjaimen ansiosta vinssivaijeri pysyy hyvin hallinnassa myös vaikeassa maastossa.
Vinssit ja autotarvikkeet nopealla 1-3 työpäivän toimituksella.
Tilaa uutiskirjeemme ja saat 5% alennuskoodin.
Suodatin (0)






















